고정 초점 렌즈 AF4kDT1.0x

Lens Spec.
Parameter Spec. Remark
Camera 4k 7㎛ Line CCD CCD size 28.672 ㎜
Mag. 1.0 x -
F/# F/3.5 Image NA 0.083
EFL -  
MTF 0.45 @ 72lp/㎜
DOF ± 0.1 ㎜ (F/6) ± 0.25㎜ (F/12)
Distortion 0.005% 이하  
Wavelength 435 ~ 656 ㎚ Visible ray
FWD 70.0 ㎜ Object~1st surface
BWD 70.0 ㎜ Last surface~CCD
TTL 278.2 ㎜ Object~CCD
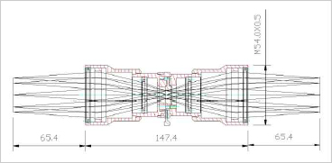
Size Φ 54, 147.4 ㎜ Only Lens
Iris Inclusion Variable
CCD adapter Inclusion F-mount
Lens Shape
AF4kDT1.0x
MTF(Field)
AF4kDT1.0x
MTF(Frequency)
AF4kDT1.0x
Ray fan
AF4kDT1.0x
AF4kDT1.0x Test Image

- Grid Chart

AF4kDT1.0x

- USAF Chart

AF4kDT1.0x